Perle QUINT-PS/3AC/24DC/20/CO
3-Phase DIN Rail Power
Supply For extreme ambient conditions




- 24 V DC Output Voltage
- 20 Amps
- 480 Watts
- 3-phase AC input Voltage Range: 320 to 575 V AC
- 2-phase AC or DC input Voltage Range: 360 to 575 V AC and 450 to 800 V DC
The QUINT-PS/3AC/24DC/20/CO 3-Phase Power Supply is specifically designed to operate in hazardous industrial locations and extreme ambient conditions. The PCB coating protects against dust, corrosive gases, and 100% humidity as well as failures caused by corrosion-related creepage currents and electrochemical migration. In addition, the components are protected within a wide temperature range of -40°C to 70°C. This makes the QUINT-PS/3AC/CO Industrial Power Supply is ideal for use with equipment subjected to harsh environments and severe temperatures.
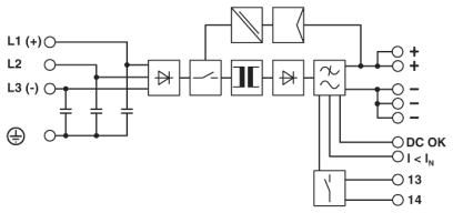
The QUINT-PS/3AC/24DC/20/CO is a 3-Phase 24V DC Power Supply built to meet the high stability and efficiency expectations of industrial, machine automation and process control environments. It features the unique combination of preventive function monitoring and power reserve in an incredibly compact size. This Switching (switch mode) Power Supply ensures a regulated output voltage even in the event of voltage fluctuations in the power supply network. During parallel operation, and when connected to different phases, loads are reliably supplied even in the event of problems with the input voltage. With all required safety certifications to support ITE (Information Technology Equipment), ruggedized packaging, extended operating temperatures, high peak load capabilities and high isolation voltages, this QUINT Industrial Power Supply is designed to meet the needs of your industrial application.
18 to 29.5 V DC Adjustable Output Voltage Range
Using the rotary potentiometer on the front face of the QUINT power supply, the output voltage can be optimally adjusted to meet specific application environment requirements. For example, you can easily adjust to compensate for a voltage drop caused by a long cable length.
POWER BOOST: reliably start difficult loads
A high degree of flexibility is required to configure, optimize and expand large systems. To optimally adapt a system or machine to your requirements, a power reserve in the power supply unit is crucial. The QUINT supplies up to 50% additional current without a voltage drop. This is useful when it is not possible to predict which loads will be switched on at the same time or high switch-on currents of capacitive loads have to be absorbed without voltage dips.
Preventive function monitoring reports critical operating states before they occur
With a QUINT Industrial Power Supply, the output voltage and output current are constantly monitored. Preventive function monitoring visualizes critical operating states and indicates them locally and remotely to the controller as follows:
- Via LED
- Via floating relay contact
- Via active switching output
High efficiency and low no load power consumption
Compared with other products on the market, the QUINT Industrial Power Supply provides excellent energy savings. With a very low no load power consumption and high efficiency at nominal load, just a small amount of electrical energy is converted into undesired heat energy making these very ECO friendly power supplies.
SFB (Selective Fuse Breaking) Technology
SFB Technology can be used to quickly and reliably trip miniature circuit breakers and fuses connected on the secondary side. In the event of a short circuit on the secondary side, the QUINT supplies up to 6 times the nominal current for 15 ms. Faulty current paths are switched off selectively, the fault is located, and important system parts remain in operation. Loads that are connected in parallel are still supplied with energy ensuring continued operation of these system parts.
- Tripping circuit breakers: The circuit breaker is typically tripped by the high SFB current within 3 to 5 ms. As a result, any voltage dips for loads connected in parallel are avoided.
- Tripping a fuse: Fuses are tripped by melting the predetermined breaking point inside the fuse capsule. The tripping characteristic of the fuse is described by the melting integral (I²t). A high current is crucial in order to achieve a very short tripping time.
Ideal application environments for a QUINT DIN Rail Power Supply
- Shipbuilding
- Railways
- Drive motors and other devices
- Machine building
- Automated production process
- Industrial control, automation, assembly, and test equipment
- Building control, security and surveillance, and climate control systems.
- Power countless industrial automation devices such as sensors, controllers and valves
Other reasons to choose a QUINT Industrial Power Supply
- High MTBF (Mean Time Between Failure) values
- Robust input side: high noise immunity, integrated gas-filled surge arrester (up to 6 kV), and ≥ 20 ms mains failure buffer time
- Narrow, slim-line design saves space in the control box
- Voltage Isolation input/output: 4 kV AC
- Protections: Short-circuit, Overload, Over voltage, Over-temperature
- Shipbuilding Approvals
- Railway Approvals

| Environmental Product Compliance | |
|---|---|
| REACH SVHC | Lead 7439-92-1 |
| China RoHS | Environmentally Friendly Use Period = 25; |
| General | |
| Net weight | 1.5 kg |
| Efficiency | > 93 % (at 400 V AC and nominal values) |
| Insulation voltage input/output | 4 kV AC (type test) |
| 2 kV AC (routine test) | |
| Insulation voltage input / PE | 3.5 kV AC (type test) |
| 2 kV AC (routine test) | |
| Insulation voltage output / PE | 500 V DC (routine test) |
| Protection class | I |
| Degree of protection | IP20 |
| MTBF (IEC 61709, SN 29500) | > 900000 h (25 °C) |
| > 534000 h (40 °C) | |
| Mounting position | horizontal DIN rail NS 35, EN 60715 |
| Assembly instructions | alignable: PN ≥50%, 5 mm horizontally, 15 mm next to active components, 50 mm vertically alignable: PN <50%, 0 mm horizontally, 40 mm vertically top, 20 mm vertically bottom |
| Standards and Regulations | |
| Electromagnetic compatibility | Conformance with EMC Directive 2014/30/EU |
| Connection in acc. with standard | CSA |
| Standards/regulations | EN 61000-4-2 |
| Contact discharge | 4 kV (Test Level 2) |
| Standards/regulations | EN 61000-4-3 |
| Frequency range | 80 MHz ... 1 GHz |
| Test field strength | 10 V/m (Test Level 3) |
| Frequency range | 1.4 GHz ... 2 GHz |
| Test field strength | 3 V/m (Test Level 2) |
| Standards/regulations | EN 61000-4-4 |
| Comments | Criterion B |
| Standards/regulations | EN 61000-6-3 |
| EN 61000-4-6 | |
| Frequency range | 0.15 MHz ... 80 MHz |
| Voltage | 10 V (Test Level 3) |
| Standard - Electrical safety | IEC 60950-1/VDE 0805 (SELV) |
| Standard – Electronic equipment for use in electrical power installations and their assembly into electrical power installations | EN 50178/VDE 0160 (PELV) |
| Standard – Safety extra-low voltage | IEC 60950-1 (SELV) and EN 60204-1 (PELV) |
| Standard - Safe isolation | DIN VDE 0100-410 |
| Standard – Protection against shock currents, basic requirements for protective separation in electrical equipment | EN 50178 |
| Standard – Limitation of mains harmonic currents | EN 61000-3-2 |
| Standard - Equipment safety | BG (design tested) |
| Shipbuilding approval | DNV GL (EMC B), ABS, LR, RINA, NK, BV |
| UL approvals | UL/C-UL listed UL 508 |
| UL/C-UL Recognized UL 60950-1 (3-wire + PE, star net) | |
| UL ANSI/ISA-12.12.01 Class I, Division 2, Groups A, B, C, D (Hazardous Location) | |
| Shock | 18 ms, 30g, in each space direction (according to IEC 60068-2-27) |
| Vibration (operation) | < 15 Hz, amplitude ±2.5 mm (according to IEC 60068-2-6) |
| 15 Hz ... 150 Hz, 2.3g, 90 min. | |
| Approval - requirement of the semiconductor industry with regard to mains voltage dips | SEMI F47-0706 Compliance Certificate |
| Information technology equipment - safety (CB scheme) | CB Scheme |
| Rail applications | EN 50121-4 |
| Noxious gas test | ISA-S71.04-1985 G3 Harsh Group A |
| Overvoltage category (EN 62477-1) | III |
| Connection data, input | |
| Connection method | Screw connection |
| Conductor cross section solid min. | 0.2 mm² |
| Conductor cross section solid max. | 6 mm² |
| Conductor cross section flexible min. | 0.2 mm² |
| Conductor cross section flexible max. | 4 mm² |
| Conductor cross section AWG min. | 18 |
| Conductor cross section AWG max. | 10 |
| Stripping length | 7 mm |
| Screw thread | M4 |
| Output data | |
| Nominal output voltage | 24 V DC ±1 % |
| Setting range of the output voltage (USet) | 18 V DC ... 29.5 V DC (> 24 V DC, constant capacity restricted) |
| Nominal output current (IN) | 20 A (-25 °C ... 60 °C, UOUT = 24 V DC) |
| POWER BOOST (IBoost) | 26 A (-25°C ... 40°C permanent, UOUT = 24 V DC ) |
| Selective Fuse Breaking (ISFB) | 120 A (12 ms) |
| Derating | 60 °C ... 70 °C (2.5%/K) |
| Connection in parallel | Yes, for redundancy and increased capacity |
| Connection in series | yes |
| Feedback resistance | max. 32 V DC |
| Protection against surge voltage on the output | < 32 V DC |
| Control deviation | < 1 % (change in load, static 10 % ... 90 %) |
| < 3 % (change in load, dynamic 10 % ... 90 %) | |
| < 0.1 % (change in input voltage ±10 %) | |
| Residual ripple | < 40 mVPP (with nominal values) |
| Output power | 480 W |
| Typical response time | < 0.16 s |
| Peak switching voltages nominal load | < 40 mVPP (at nominal values, 20 MHz) |
| Maximum power dissipation in no-load condition | 11 W |
| Power loss nominal load max. | 40 W |
| Connection data for signaling | |
| Conductor cross section solid min. | 0.2 mm² |
| Conductor cross section solid max. | 6 mm² |
| Conductor cross section flexible min. | 0.2 mm² |
| Conductor cross section flexible max. | 4 mm² |
| Conductor cross section AWG min. | 18 |
| Conductor cross section AWG max. | 10 |
| Screw thread | M4 |
| Dimensions | |
| Width | 69 mm |
| Height | 130 mm |
| Depth | 125 mm |
| Width with alternative assembly | 125 mm |
| Height with alternative assembly | 130 mm |
| Depth with alternative assembly | 72 mm |
| Weight per piece | 1873.0 GRM |
| Input data | |
| Nominal input voltage range | 3x 400 V AC ... 500 V AC |
| Input voltage range | 3x 320 V AC ... 575 V AC |
| 2x 360 V AC ... 575 V AC | |
| 450 V DC ... 800 V DC | |
| AC frequency range | 45 Hz ... 65 Hz |
| Frequency range DC | 0 Hz |
| Discharge current to PE | < 3.5 mA |
| Current consumption | 3x 1.6 A (400 V AC) |
| 3x 1.3 A (500 V AC) | |
| 0.9 A (600 V DC) | |
| Nominal power consumption | 783 VA |
| Inrush surge current | < 20 A (typical) |
| Mains buffering | typ. 28 ms (400 V AC) |
| typ. 43 ms (500 V AC) | |
| Choice of suitable circuit breakers | 6 A ... 16 A (AC: Characteristics B, C, D, K) |
| Type of protection | Transient surge protection |
| Protective circuit/component | Varistor, gas-filled surge arrester |
| Connection data, onput | |
| Connection method | Screw connection |
| Conductor cross section solid min. | 0.2 mm² |
| Conductor cross section solid max. | 6 mm² |
| Conductor cross section flexible min. | 0.2 mm² |
| Conductor cross section flexible max. | 4 mm² |
| Conductor cross section AWG min. | 12 |
| Conductor cross section AWG max. | 10 |
| Stripping length | 7 mm |
| Screw thread | M4 |
| Ambient conditions | |
| Degree of protection | IP20 |
| Ambient temperature (operation) | -40 °C ... 70 °C (> 60 °C Derating: 2.5 %/K) |
| Ambient temperature (start-up type tested) | -40 °C |
| Ambient temperature (storage/transport) | -40 °C ... 85 °C |
| Max. permissible relative humidity (operation) | 100 % (at 25 °C, non-condensing) |
| Climatic class | 3K3 (in acc. with EN 60721) |
| Degree of pollution | 2 |
| Installation height | 5000 m |
| Approvals | |
| |
Customers who viewed this item also viewed












Properties
Description
Further Information


Properties
Description
PDF